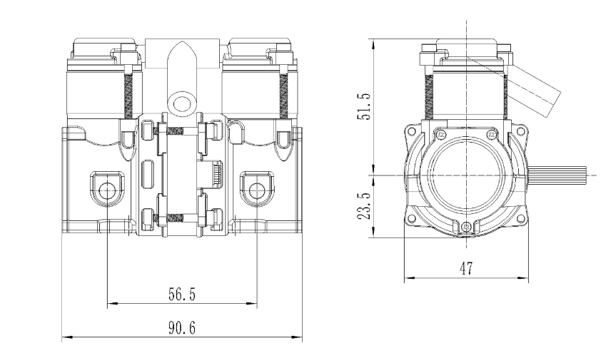
The SMK60D compressor pump remains a mainstream technology in the industry.
Furthermore, the SMK60D piston pump utilizes a unique split connecting rod design, facilitating future maintenance. Different voltage standards can be customized to meet customer needs.
Typical Applications:1L Pulse Portable Oxygen Concentrator
Technical Data:

